青井大神宮
建物データ
| 指定名称 | 青井大神宮内宮・外宮 2棟 寛保2年(1742)、昭和30年(1955)移築 一間社神明造、平入、銅板葺 |
|---|---|
| 指定年月日 | 平成25年5月28日 |
| 所在地 | 人吉市上青井町 |
| 修理記録 | 昭和30年:移築 昭和53年:屋根茅葺を銅板葺に葺替え 平成15年:縁廻りの修理、柱レベルの是正 |
| 保存修理工事報告書 | 未出版 |
青井大神宮外宮と内宮
もとは青井阿蘇神社楼門東脇に鎮座されていましたが、昭和30年(1955)に青井阿蘇神社社殿保存修理に伴い、現在地へ移築されました。
向かって右社が内宮の「天照皇太神」、左社が外宮の「宇氣皇太神」、どちらも一間社流造ですが神明造風の意匠でもとは茅葺きの社殿でした。
ここ見てください
神明造風の意匠は屋根の大棟、本来は破風板を突き抜ける鞭掛(むちかけ)を破風板下から出し、屋根を茅葺としていたことです。
青井大神宮内宮正面
銅板葺の屋根ですが、もとは茅葺であったので軒付は厚くなっています。
青井大神宮内宮側正面
神明造は破風板が長く屋根から突出して左右が交わり千木となり、内宮は先端が水平(内削ぎ)になっています。屋根の勾配は45度の傾斜が多いそうです。大棟に3本の勝男木を載せ、障泥板および甍覆があり屋根の端より長く挺出しています。破風板の拝近くに小狭小舞が各4本ずつ出ています。
青井大神宮外宮正面
縁の高欄は簡略に造られています。
青井大神宮外宮正側面
千木先端が垂直(外削ぎ)になっています。この部分以外は規模、造りとも内宮と同じです。
青井大神宮外宮身舎正面
台輪見付面に釈杖彫が施され、頭貫下端を眉欠き状にしています。
青井大神宮外宮向拝側面
身舎柱と向拝柱を繋ぐ海老虹梁は袖切だけで、装飾がなく簡素な造りです。
青井大神宮外宮木鼻
木鼻の円弧部分が内側に入っています。この時代の木鼻の一つの意匠です。
建物情報
※情報の内容は調査・研究成果によるものです。
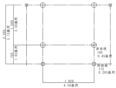
| 平面計画と柱断面寸法 | ![]() 『中世等文化遺産保護対策事業調査報告書』(平成8年3月、熊本県教育委員会)の実測図は正面1,928㎜、身舎側面1,500㎜、向拝奥行き705㎜で、現行尺(1尺303.03㎜)でそれぞれ6.362尺、4.95尺、2.327尺となります。身舎側面以外は寸法が整理されていないようです。 鉄尺に換算すると正面6.372尺、身舎側面4.957尺、向拝奥行き2.33尺となります。これらの寸法を裏目でみると、4.506裏尺、3.505裏尺、1.648裏尺となります。図面の柱間寸法と3㎜弱の差がありますが、正面4.5裏尺、身舎側面3.5裏尺、向拝奥行き1.65尺の計画と考えられます。身舎柱断面寸法は正面4.5裏尺/10で0.45裏尺、身舎柱断面寸法は正面4.5尺/17の0.265尺とみられます。 |
|---|
