矢黒神社
建物データ
| 指定名称 | 矢黒神社本殿、覆屋及び拝殿・神供所 本 殿 三間社流造、とち葺、東向 正徳5年(1715)、棟札 拝殿・神供所 桁行八間、梁間三間、一重、入母屋造、セメント桟瓦葺、平入、東向 拝 殿 桁行五間、梁間三間 18世紀初 神供所 桁行二間、梁間三間 正徳5年(1715)、棟札 覆 屋 桁行三間、梁間四間、切妻造、銅板葺 正徳5年(1715)、棟札書 |
|---|---|
| 指定年月日 | 平成25年5月28日 |
| 所在地 | 人吉市矢黒町 |
| 修理記録 | 拝殿:享保11年(1726)・延享2年(1745)きざはし修理や屋根葺替、万延元年(1860)に半解体修理御が行われ、神供所・合ノ間は享保19年(1734)に屋根葺替の修理記録がある。また、昭和10年に屋根を桟瓦に葺替えた。 令和2年7月の豪雨で拝殿と神供所が被災し、令和5年10月に災害復旧工事が竣工。 |
| 保存修理工事報告書 | 『中世等文化遺産保護対策事業調査報告書』(平成8年3月、熊本県教育委員会) |
矢黒神社社殿
『麻郡神社記』によると当社は諸神が勧進され、古より矢黒八十八神と称す社家ですが、三十一社説もあります。昔当社は祇司宅地の申酉に有り今も古い所が存し、動じれば神祟有り、里民稀に悩むゆえに、藤原前続公御願で元中5年(1388)現在地に遷宮。天文年中(1532~1554)修造願主藤原長唯并に長為、寛文10年(1670)藤原頼喬公修復の記録があります。
令和2年7月豪雨で拝殿と神供所が被災しました。令和5年10月23日に修理工事が完了し竣工式が行われました。
矢黒神社本殿と覆屋
本殿と覆屋は同時期に建てられていますので、本殿の屋根は建立当時のものかも知れません。
矢黒神社本殿側面
縁廻り以外は建立当時のままとみられます。
矢黒神社本殿向拝正面
向拝柱も上部に棕を付けています。化粧垂木には反りがあります。
が矢黒神社本殿側面
身舎柱も上部に棕を付けていますが、台輪は省略されています。
矢黒神社本殿木鼻
ここ見てください
矢黒神社本殿より古い遺構は木鼻上端から輪郭を直線的に斜めに下げ、S字状の曲線が続くのですが、この本殿からこの部分を内側に大きくえぐる円弧状の曲線とする意匠が生まれました。元文4年(1739)建立の村山観音堂、寛保2年(1742)建立の青井大神宮内宮・外宮、同年建立の遙拝阿蘇神社本殿、、寛延2年(1749)建立の多良木諏訪神社本殿、明和6年(1769)建立の四浦阿蘇神社本殿がこの系統の木鼻の意匠を用いています。
矢黒神社本殿拳鼻
木鼻と比較すると上部の形状は違いますが、円弧部分が内部に入りその下の曲線は同じ構成です。
矢黒神社本殿手挟
上部から円弧部分とS字部分が内部に入る意匠で、中央部に若葉が彫られています。
矢黒神社拝殿・神供所
写真手前五間が拝殿、奥の三間が神供所となっています。
矢黒神社神供所側面・拝殿背面
神供所背面側は軒の出が短くなっているようです。
矢黒神社神供所と拝殿の取合い部分
出桁を受ける梁先端の腕木部分の形状が拝殿と神供所で違っていますので、拝殿と神供所は違う時期に建てられたことが判ります。
建物情報
※情報の内容は調査・研究成果によるものです。
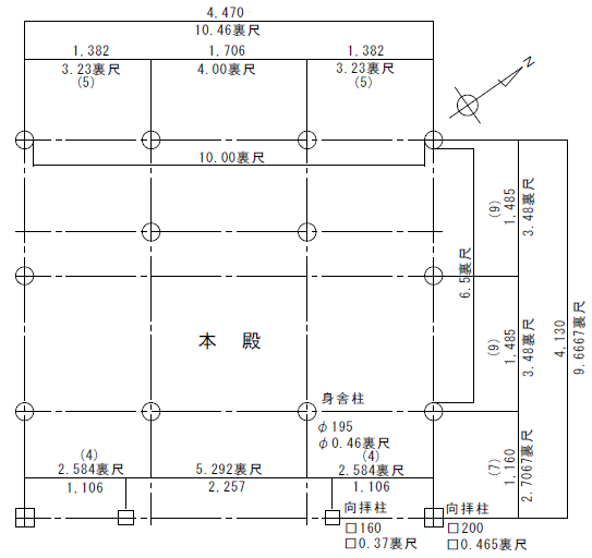
| 本殿平面計画と柱断面寸法 | ![]() 矢黒神社の平面計画を熊本大学作図の実測図を精査して分析してみます。 本殿は南東向きに建てられ、身舎正面三間分の実測値は4,470㎜、中央間1,706㎜、端間1,382㎜、側面二間はそれぞれ1,485㎜、正面身舎柱から向拝柱まで1,160㎜です。向拝中央間は2,257㎜で身舎より広く、端間は1,106㎜となっています。鉄尺(1尺302.58㎜)に換算すると身舎三間分14.773尺、中央間5.638尺、端間4.564尺、身舎側面二間4.908尺、正面身舎柱から向拝柱まで3.834尺となります。身舎中央間は7.459尺、端間3.655尺です。平面計画が判りにくいため、裏目尺(表×√2)でも寸法を確認してみます。 裏目尺(表×√2)に換算すると身舎正面中央間3.987裏尺、端間3.23裏尺で、中央間は4.00裏尺とみなせます。側面二間はそれぞれ3.47裏尺で、向拝の奥行は2.71裏尺となります。身舎柱断面寸法は図面を測って換算すると195㎜前後で裏目0.46尺前後、向拝両端の柱断面寸法は200㎜前後で0.465裏尺前後、向拝中央間2本の柱断面寸法は160㎜前後で0.37裏尺前後とみられます。 正面規模は10.46裏尺ですので、身舎柱断面寸法が0.46裏尺であれば、隅柱内々寸法は10.0裏尺となります。中央間を4.0裏尺、端間3.0裏尺の設計とみられます。身舎側面は各間3.48裏尺とみなすと、隅柱内々寸法は6.5裏尺となります。向拝奥行は身舎側面各二間の7/9とすると2.71066・・・裏尺です。向拝中央間は5.274裏尺、端間は2.585裏尺で、向拝端間は身舎正面端間の4/5となっていて2.584裏尺、向拝中央は5.292裏尺となります。 |
|---|
