岡原霧島神社本殿
建物データ
指定名称 | 岡原霧島神社本殿 享保年間(1716~1736)、木鼻意匠 三間社入母屋造、桟瓦葺、正面向拝三間、桟瓦葺 |
---|---|
指定年月日 | |
所在地 | あさぎり町岡本 |
修理記録 | もと岡本の大炊霧島神社と宮原の中嶋霧島神社が明治43年に合併し、規模の大きかった中嶋霧島神社の建物を現在地に移築したとみられる。近年、屋根が桟瓦葺に改造され、二軒となった。 |
保存修理工事報告書 | 未出版 |
岡原霧島神社社殿

『麻郡神社記』によると中嶋霧島神社は日州霧島神社と同体で大同元年(806)の草創とされています。応永14年(1407)に神殿修復、永享4年(1432)に藤原前續の祈願により別当龍泉寺重慶修造、天文年中(1532~1554)藤原晴廣本殿改造、文禄5年(1596)拝殿修復の記載があります。現在の本殿は本殿木鼻の意匠から享保年間に建立されたとみられます。明治43年に岡本の大炊霧島神社と宮原の中嶋霧島神社が合併し、規模の大きかった中嶋霧島神社の建物を現在地に移築したと考えられます。
岡原霧島神社本殿側面

移築前は三間社流造だったようですが、屋根を桟瓦葺に改修された際に、入母屋造に改修されています。三面の庇もく後設のものです。
岡原霧島神社本殿正面

斗栱や格狭間にペンキが塗られ鮮やかな印象となっていますが、建立当初は木鼻や実肘木、絵様肘木などの覆輪と渦に墨が塗られていただけであったとみられます。
岡原霧島神社本殿背側面

本殿背面に透塀の屋根からの雨水がかかっていないか心配です。その対応として本殿柱床下部分に防腐剤が塗られているようです。
岡原霧島神社本殿向拝

化粧垂木には反りがあり、当初材が使われているようです。
岡原霧島神社本殿木鼻

ここ見てください
山江村の西福寺阿弥陀堂(享保21年1736)の木鼻と酷似していますので、岡原霧島神社本殿建立年代は享保年間(1716~1735)とみられます。
岡原霧島神社本殿向拝水引虹梁木鼻

ここ見てください
向拝水引虹梁木鼻も山江村の西福寺阿弥陀堂(享保21年1736)の水引虹梁木鼻と酷似しています。
岡原霧島神社本殿小壁格狭間

山江村の西福寺阿弥陀堂(享保21年1736)と比較すると全体的に平べったくなっています。円弧も曲率が大きくなり、輪郭のメリハリがあまり感じられません。
建物情報
※情報の内容は調査・研究成果によるものです。
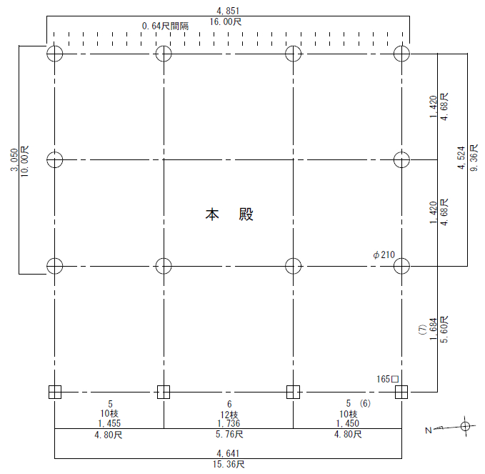
平面計画と柱断面寸法 | ![]() 『中世等文化遺産保護対策事業調査報告書』(平成8年3月、熊本県教育委員会)の図面を見ると、正面規模は4,641㎜(15.315尺)、中央間1,736㎜(5.73尺)、端間1,450尺(4.8尺)、側面二間1,420㎜(4.69尺)となっています。各柱間寸法は現行尺(1尺303.03㎜)で整理されたもののようです。ここでは鉄尺(302.58㎜)で平面計画を考察します。 まず、身舎隅柱外々寸法を正面16尺、側面10尺と計画します。正面16尺を25等分した0.64尺(一枝寸法4/3)を引いて隅柱真々寸法とすると、正面15.36尺、側面9.36尺となります。正面は中央間と端間の柱間寸法比を6(5.76尺12枝):5(4.80尺5枝)とし、側面は等間とし各間4.68尺としています。一枝寸法は0.48尺です。身舎奥行柱間寸法は正面端間4.80尺との寸法比を7:6とし5.60尺と推測されます。 身舎柱断面寸法は図面を測って換算すると210㎜(0.70尺)前後ですので、正面15.36尺/22とみられ、向拝柱は図面では165前後ですので身舎柱の7/9(0.545尺)と考えられます。 |
---|