久米治頼神社本殿
建物データ
指定名称 | 久米治頼神社本殿 永禄9年(1566)、棟札写し 元三間社流造、切妻造(元流造)、桟瓦葺 |
---|---|
指定年月日 | |
所在地 | 多良木町久米 |
修理記録 | 近年屋根廻り改修 |
保存修理工事報告書 | 『中世等文化遺産保護対策調査事業報告書』(平成8年3月、熊本県教育委員会) |
久米治頼神社境内

当社は『麻郡神社記』には新八幡宮と称され、相良治頼及び治頼母堂の霊社で、永禄9年(1566)の草創と記されています。棟札によると地頭東加賀藤原頼秀及び棟方氏葩等建立、元亀元年(1570)に頼秀女(波津計佐)の祈願として、頼秀同満千代並びに頼家宗方氏葩等本殿拝殿造営とあります。
『歴代嗣誠獨集覧』・『南籐曼綿録』(梅山無一軒編)によると、建久4年(1193)に鎌倉時幕府の命により、多良木荘に配流された相良荘司四郎頼景が納めた上相良と、元久2年(1205)に頼景の長男長頼が人吉荘の地頭職に補任され下相良氏が成立しました。
文安5年(1448)に多良木頼観・頼仙が永富長続に雀ヶ森(多良木町久米)で討ち取られると、上相良氏は滅亡しました。これにより人吉球磨地域は統一され、人吉相良氏は宗家となり長続が当主となり、多良木相良氏の旧領地は子の頼泰に与えられました。
長享元年(1487)に陰謀説が発覚して頼泰が殺されると、多良木城や鍋上は人吉相良氏の支配に戻りました。
天文14年(1545)に頼泰の孫の八代岡地頭治部少輔治頼(相良治頼)は当主に逆心をいだき、球磨に兵を進めます。八代から反乱鎮圧のため球磨に兵を出し、人吉衆が加わりますが、治頼勢は真幸(鹿児島)へ向かいます。その後、多良木に向かい黒肥地の鍋城に籠城しますが、これらのことが相良長毎に報告され、人吉勢に追討令を出されました。治頼勢は多良木耳取原で敗れ、槻木を超えて日向へ逃れ、翌天文15年(1546)に豊後佐賀関で卒去しました。
久米治頼神社本殿正面

現在は本殿のみがあるだけで、もとは拝殿も備えた社殿を構成していたと考えられます。本殿は当初部材にみられる構造手法や様式から判断して永禄9年の草創の時の建立とみられます。
久米治頼神社本殿正面詳細

中央2本の向拝柱が撤去されています。
久米治頼神社本殿側面

屋根材が腐朽し、拝殿が失くなり、本殿向拝部分を拝殿スペースとするため、向拝中央の柱を撤去し、正面軒先に桁を入れ柱を建て正面間仕切を設け、身舎側面から正面間仕切まで板壁を張っています。本殿の屋根より一回り大きな切妻造、桟瓦葺の屋根を載せています。
久米治頼神社本殿背面

背面側は山の斜面が迫っていますので雨落を整備できると良いのですが。
久米治頼神社本殿木鼻

ここ
渦上部のS字部分が横に長く、全体も外側に長く端正な印象です。本殿は近くで見ると木目が細かく素直な木材が使われています。
久米治頼神社本殿拳鼻

頂部は円弧が3つ連続し、その下のS字部分は短く立っていて、その下の円弧分部は曲率を大きく外側に出ています。渦は楕円で1回転と1/4程巻いています。
久米治頼神社本殿降懸魚

当初材とみられるこの降懸魚は、下部の広くなっている部分から下は、あさぎり町の浜の上地蔵堂厨子より円弧が1つ多くなっています。厨子も神社本殿も懸魚の時代的な意匠の変遷は同じようです。
建物情報
※情報の内容はその後の調査・研究成果によるものです。
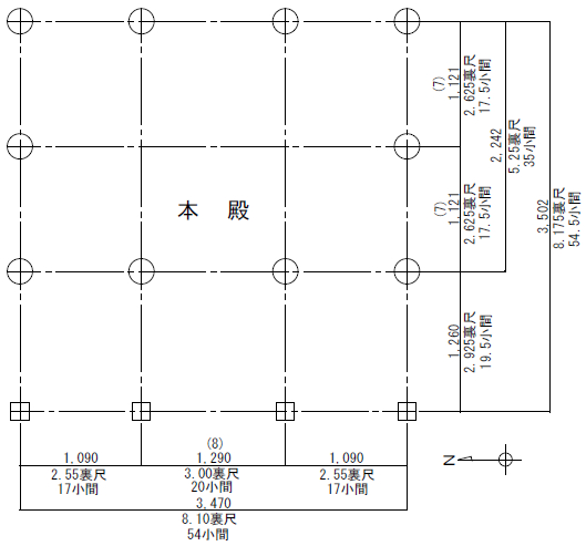
平面計画 | ![]() 『中世等文化遺産保護対策調査事業報告書』(平成8年3月、熊本県教育委員会)の図面を見ると、正面規模3,470㎜(11.45㎜)、中央間1,290㎜(4.26尺)、端間1,090㎜(3.6尺)、身舎側面二間1,121㎜(3.7尺)、向拝奥行1,260㎜(4.16尺)で、現行尺(1尺303.03㎜)で柱間寸法が整理されているようです。ここでは、鉄尺(1尺302.58㎜)で平面計画を考察します。 正面規模は11.468尺、裏目では8.109裏尺、中央間4.263尺、裏目3.015裏尺、端間3.602尺、裏目2.547裏尺、身舎側面二間3.705尺、裏目2.62裏尺、向拝奥行4.164尺、裏目2.945裏となります。正面中央間は12枝、端間は10枝ですが、寸法比が6:5ではないので一枝寸法がそれぞれ異なると考えられます。中央間の一枝寸法は0.35525尺、裏目0.251・・・裏尺、端間は0.360・・・尺、裏目0.2547・・・裏尺となります。身舎側面二間の柱間寸法は正面中央間との寸法比が8:7に近く、正面中央間を4.26尺とすると3.7275尺、3.0裏尺とすると2.625裏尺となります。向拝奥行は4.16尺、裏目で2.945尺となります。 表目か裏目の判断を側面二間との一枝寸法の関係を10.5枝(12枝7/8)として考察すると、表目では一枝寸法0.3528・・・尺、裏目0.24949・・・裏尺で0.25裏尺の計画とみられます。この場合10.5枝1,123㎜で各間2㎜長くなります。 正面中央間は一枝寸法を0.25尺裏尺とすると柱間寸法は3.0裏尺で、端間は一枝寸法0.255裏尺で2.55裏尺、正面規模は8.1裏尺(3,466㎜)となります。 平面設計としては正面規模を裏目9尺として60等分すると1小間0.15裏尺でこのグリッド上に柱を配置しあるいは基準としているとみられます。正面中央間20小間3.00尺、正面端間17小間2.55尺、側面二間35小間5.25尺(各間17.5小間2.625裏尺)、向拝奥行は身舎側面各間に2小間足した19.5小間2.925尺と推測されます。 |
---|