栖山観音堂
建物データ
指定名称 | 栖山観音堂 正徳2年(1712)、棟札 桁行三間、梁間三間、入母屋造、鉄板葺、正面向拝一間、鉄板葺、南向 |
---|---|
指定年月日 | |
所在地 | 多良木町黒肥地栖山 |
修理記録 | 昭和5年:向拝設置 西面下屋、周囲庇、側面背面出入口、床組後補 |
保存修理工事報告書 | 『中世等文化遺産保護対策調査事業報告書』(平成8年3月、熊本県教育委員会) |
栖山観音堂

『九州相良の寺院資料』(上村重次著、昭和61年8月1日発行)によると、現観音堂は廃絶した真言修験道栖山寺の観音堂です。栖山寺は人吉の南竜寺(岩屋熊野座神社別当)、般若院、井沢(相良村)本泉寺(井沢熊野座神社別当)と並んで”球磨修験道四山の一”でした。
栖山寺は永仁5年(1297)に石塔婆が建立されていますので、この頃にはすでに創立されていたようです。石塔婆は熊本市に移転され現存しています。
棟札によると、天文4年(1535)に観音堂が再興されました。
現在の観音堂は正徳2年(1712)に新築されたもので、享保13年(1728)に観音像などが補修されています。建立後に屋根や床組、間仕切など大改修され現在の姿になっています。
栖山観音堂内部

ここ見てください
本尊の千手観音立像は南北町時代の作とされ、像高は285.5cmで人吉球磨地域では最大です。近年ペンキ塗が補修され、本来の荘厳さが戻りました。
建物情報
※情報の内容はその後の調査・研究成果によるものです。
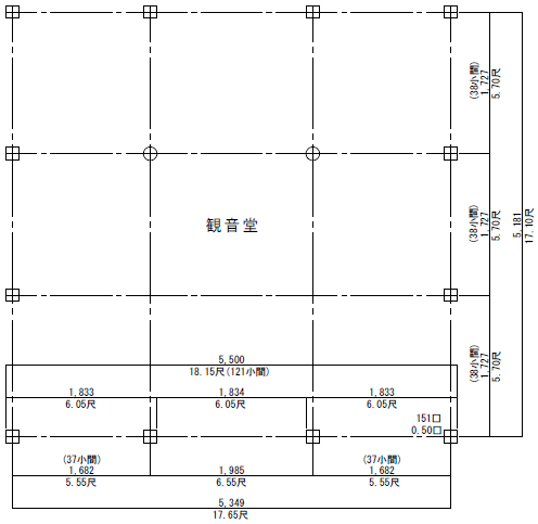
平面計画 | ![]() 『中世等文化遺産保護対策調査事業報告書』(平成8年3月、熊本県教育委員会)の図面を見ると、正面規模5,349㎜(17.65尺)、中央間1,985㎜(6.55尺)、端間1,682㎜(5.55尺)、側面規模5,181㎜、三間各間1,727㎜(5.7尺)。いずれも現行尺(1尺303.03㎜)で柱間寸法が整理されているようです。ここでは、この柱間寸法の場合の平面計画を考察してみます。 まず、正面、側面とも大まかな寸法を18尺とし、柱断面計画寸法は18尺/36の0.5尺(図面実側換算150㎜前後)とします。正面は18尺を120等分し、1小間0.15尺の121小間(18.15尺)を隅柱外々寸法とし3等分すると各間6.05尺となります。中央間は6.05尺を柱内々寸法とすると、柱真々寸法は6.55尺で、端間は5.55尺となります。 側面は18尺を120等分し、1小間0.15尺の114小間(17.1尺)を柱真々寸法とし、三間等間ですので各間38小間(5.7尺)となります。 |
---|